• +7 (4832) 51-02-40
  • et@et32.ru
  • РОССИЯ, 241031, г. Брянск, бульвар Щорса, 1, оф.301

Боксы клеммные навесные БКН‑02, БКН‑02‑2, БКН‑02 IP54 и БКН‑03

Боксы клеммные навесные БКН‑02, БКН-02-2, БКН-02 IP54 и БКН-03

предназначены для оперативного подключения к двухпроводной линии связи МЧС через два гнезда.

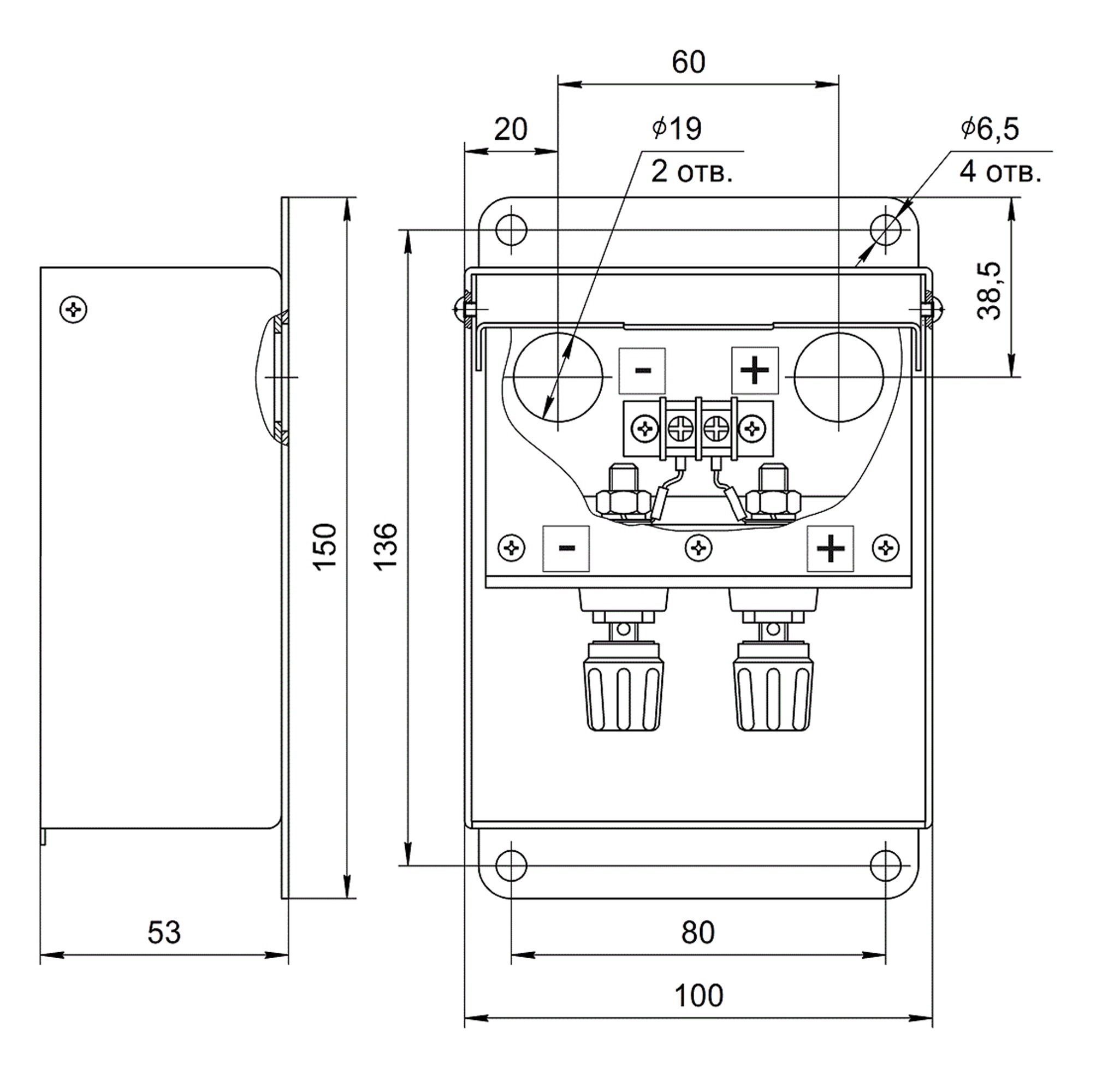
Подключение к гнёздам возможно непосредственно проводами с диаметром жилы до 2,5 мм через резьбовые зажимы или с помощью штыревых разъёмов диаметром 4 мм.

Климатическое исполнение – УХЛ2, но для работы при температуре от минус 40 до +50 °С

Степень защиты корпуса:

   БКН-02, БКН-02-2, БКН-03 – IP30

   БКН-02 IP54 – IP54

Материал корпуса - сталь

Цвет полимерного покрытия – RAL 5010 синий

Пример записи обозначения в документации и при заказе:
Пример записи в документации и при заказе Габаритные размеры,
не более, мм
Масса,
не более, кг
Тип ввода Кол-во
вводов, шт
Наружный
диаметр
кабеля, мм
Бокс клеммный навесной
БКН-02 ДРБА.687226.001
100х158х53 1,0 М20 1 10…14
Бокс клеммный навесной
БКН-02-2 ДРБА.687226.001
100х161х63 1,2 М25 2 13…18
Бокс клеммный навесной
БКН-02 IP54 ДРБА.687226.006
123х150х69 1,2 М20 1 10…14
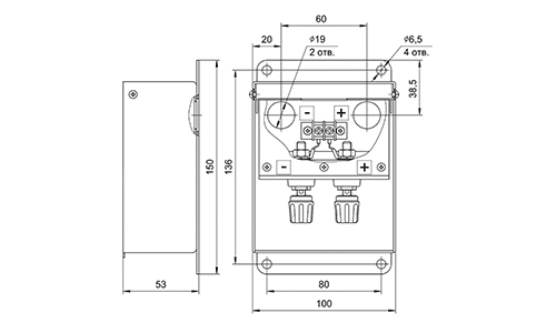
Бокс клеммный навесной
БКН-03 ДРБА.687226.005
100x150x53 1,0 отв. Ø19 2 <19
Общий вид, габаритные и установочные размеры БКН-02
Общий вид, габаритные и установочные размеры БКН-02-2
Общий вид, габаритные и установочные размеры БКН-02 IP54
Общий вид, габаритные и установочные размеры БКН-03
Схема электрическая принципиальная