• +7 (4832) 51-02-40
  • et@et32.ru
  • РОССИЯ, 241031, г. Брянск, бульвар Щорса, 1, оф.301

Панель распределения питания ПРП-3U-150-24/220-4

Панель распределения питания ПРП‑3U‑150‑24/220‑4

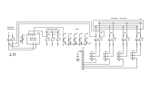
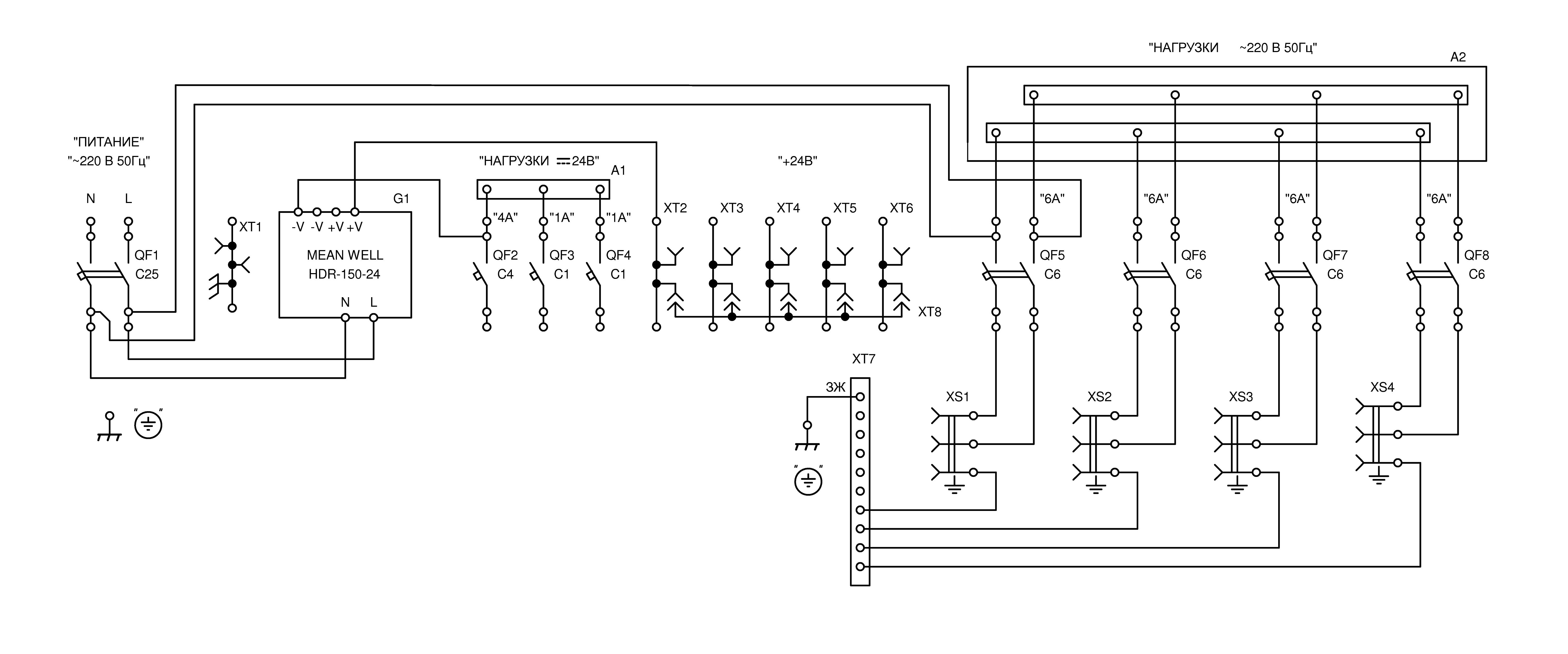
(панель) предназначена для организации электропитания оборудования от постоянного напряжения 24 В и переменного напряжения 220 В 50 Гц.

Панель имеет вводной выключатель автоматический, блок питания с выходным напряжением 24 В, выходы для подключения нагрузок к напряжению питания 24 В и выходы для подключения нагрузок к переменному напряжению питания 220 В 50 Гц.

Климатическое исполнение – УХЛ4

Степень защиты корпуса - IP30

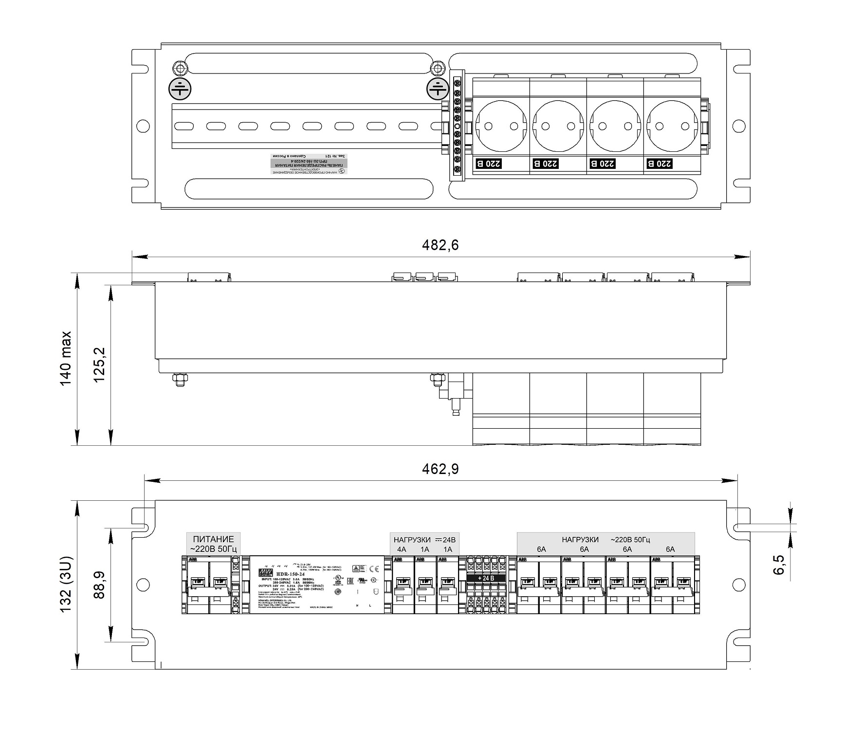
Габаритные размеры не более 482,6х140,0х132,0 мм

Масса не более 4,5 кг

Пример записи обозначения в документации и при заказе:
Панель распределения питания ПРП-3U-150-24/220-4 БРМТ.656131.009
Наименование параметра, единица измерений Значение
Диапазон входного переменного напряжения питания, В 90…260
Частота питающей сети, Гц 47…63
Характеристика и номинальный ток вводного выключателя автоматического C25
Максимальный пусковой ток при 230 В 50 Гц, А, не более 70
Диапазон регулировки выходного напряжения по цепи 24 В, В 22…29
Максимальный суммарный ток по цепи 24 В, А, не более 6
Количество розеток 220 В 50 Гц, шт. 4
Количество выходов, шт.:
- переменного напряжения 220 В 50 Гц c максимальным током 6 А; 4
- постоянного напряжения 24 В с максимальным током:
4 А 1
1 А 2
ОБЩИЙ ВИД, ГАБАРИТНЫЕ И УСТАНОВОЧНЫЕ РАЗМЕРЫ
СХЕМА ЭЛЕКТРИЧЕСКАЯ ПРИНЦИПИАЛЬНАЯ