• +7 (4832) 51-02-40
  • et@et32.ru
  • РОССИЯ, 241031, г. Брянск, бульвар Щорса, 1, оф.301

Стойка КС-1-2-А

Стойка КС-1-2-А

(стойка) предназначена для установки в тоннелях метрополитена, на станциях с открытыми и закрытыми платформами. Устанавливаемое оборудование:

  • один или два аппарата телефонных: АТПС-02М, АТПС-05М всех модификаций, АТПС-06М, АТПС-07, АТПС-08Э, АТПС-11 или АТПС-12 производства НПО "Электронтехника";
  • один ящик соединительный: СЯ14, СЯ28, СЯ36, СЯ46 или СЯ58 производства НПО "Электронтехника";
  • вызывное устройство типа Ревун;
  • световой индикатор GARDA на кронштейне КС-1А.
Пример записи обозначения в документации и при заказе:
Стойка КС-1-2-А БРМТ.301421.032

 

Материал стойки – сталь
Цвет полимерного покрытия – "Антик мелкое серебро"
Климатическое исполнение – У1
Масса, не более:
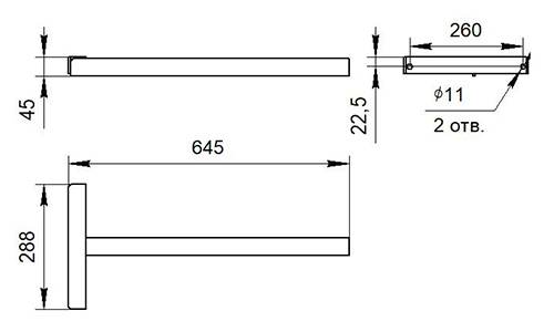
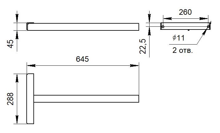
стойки – 18 кг кронштейна – 3 кг кронштейна КС-1А – 1 кг
Габаритные размеры, не более:
стойки кронштейна кронштейна КС-1А
560х1530х44 мм 288х45х645 мм 300х40х40 мм

КОМПЛЕКТ ПОСТАВКИ

Наименование Кол.
Стойка КС-1-2-А 1 шт.
Кронштейн БРМТ.301318.100 1 шт.
Кронштейн КС-1А БРМТ.301318.053 1 шт.
Болт М8х30 2 шт.
Болт М10х40 2 шт.
Винт М4х20 2 шт.
Гайка М4 4 шт.
Гайка М8 4 шт.
Гайка М10 4 шт.
Шайба C.4 4 шт.
Шайба C.8 4 шт.
Шайба C.10 4 шт.
Стойка КС-1-2-А. Паспорт 1 экз.
Тара упаковочная 1 шт.
ОБЩИЙ ВИД, ГАБАРИТНЫЕ И УСТАНОВОЧНЫЕ РАЗМЕРЫ СТОЙКИ
ОБЩИЙ ВИД, ГАБАРИТНЫЕ И УСТАНОВОЧНЫЕ РАЗМЕРЫ КРОНШТЕЙНА БРМТ.301318.100
ОБЩИЙ ВИД, ГАБАРИТНЫЕ И УСТАНОВОЧНЫЕ РАЗМЕРЫ КРОНШТЕЙНА КС-1А БРМТ.301318.053
ПРИМЕРЫ РАЗМЕЩЕНИЯ ОБОРУДОВАНИЯ НА СТОЙКЕ