• +7 (4832) 51-02-40
  • et@et32.ru
  • РОССИЯ, 241031, г. Брянск, бульвар Щорса, 1, оф.301

Стойка КС-1-АТПС

Стойка КС-1-АТПС

(стойка) предназначена для установки в тоннелях метрополитена, на станциях с открытыми и закрытыми платформами. Устанавливаемое оборудование:

  • один или два аппарата телефонных перегонной связи: АТПС-02М, АТПС-05М всех модификаций, АТПС-06М, АТПС-07, АТПС-08Э, АТПС-11 или АТПС-12 производства НПО “Электронтехника”
  • вызывное устройство типа Ревун или аналогичное оборудование с соответствующими габаритными и установочными размерами.
Пример записи обозначения в документации и при заказе:
Стойка КС-1-АТПС БРМТ.301421.043

 

Материал стойки – сталь
Цвет полимерного покрытия – "Антик мелкое серебро"
Климатическое исполнение – У1
Масса, не более:
стойки – 13,5 кг кронштейна – 3,3 кг пластины – 0,3 кг
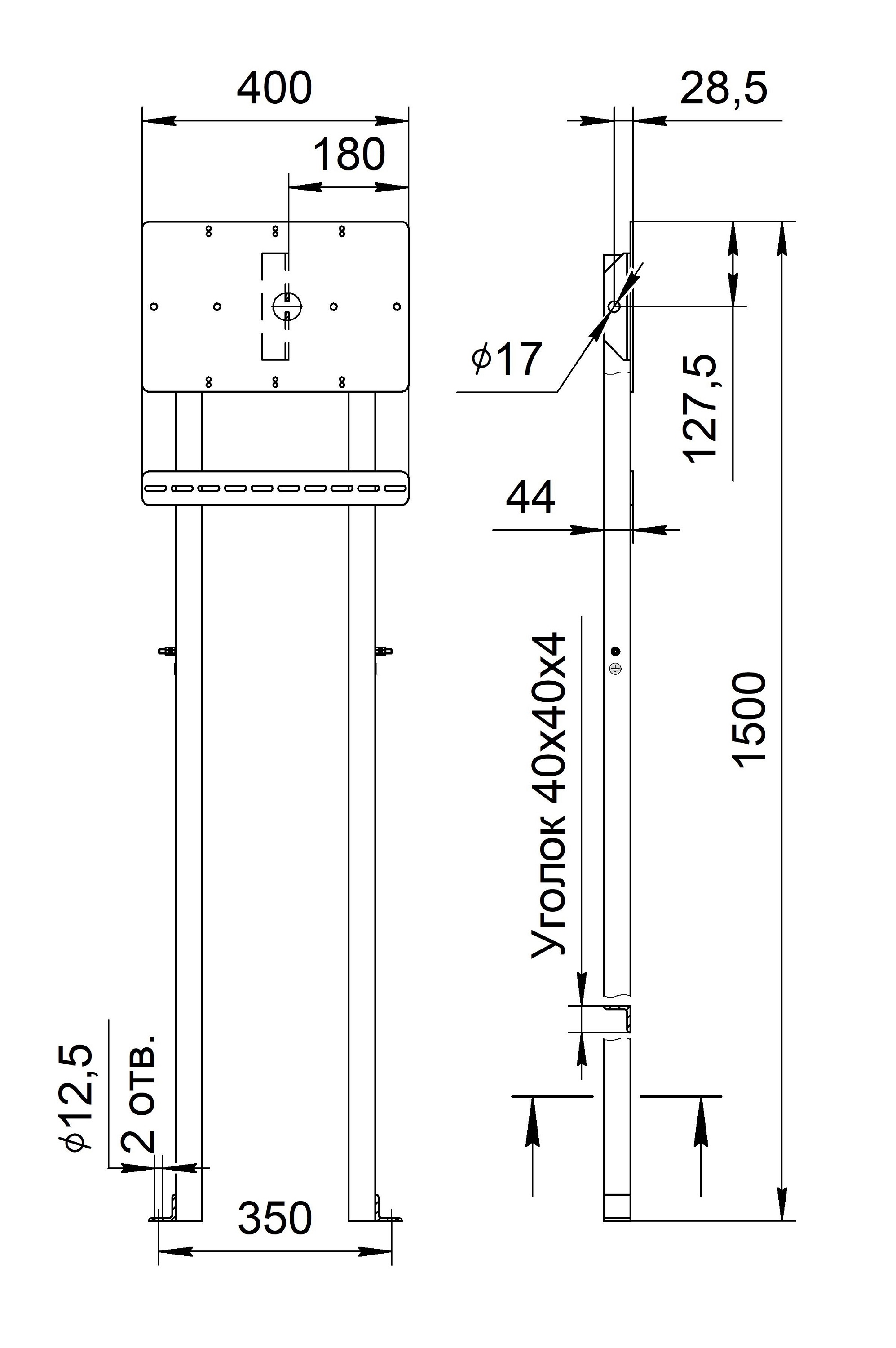
Габаритные размеры, не более:
стойки кронштейна пластины
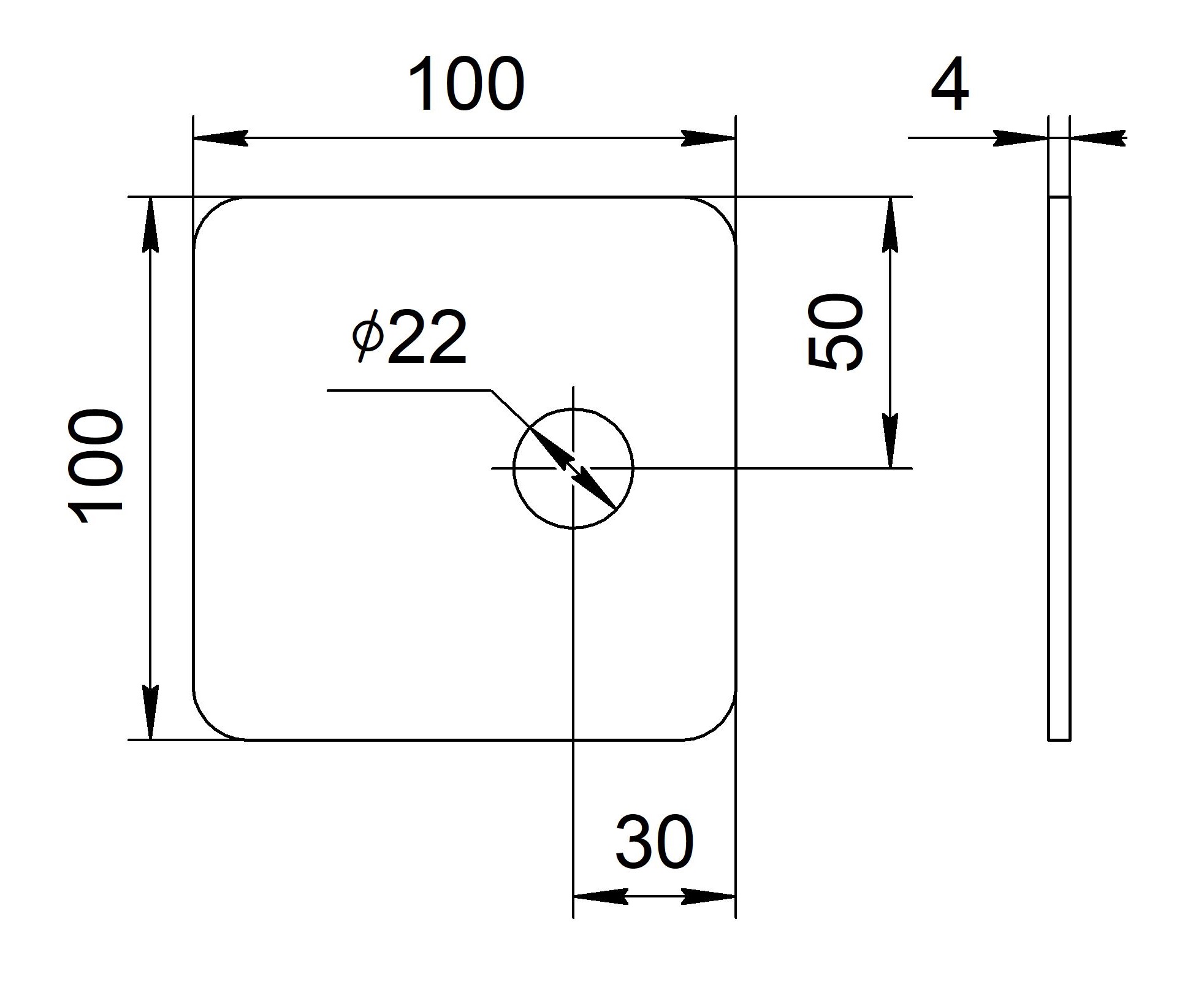
400х1500х44 мм 100х44х1070 мм 100х100х4 мм

КОМПЛЕКТ ПОСТАВКИ

Наименование Кол.
Стойка КС-1-АТПС 1 шт.
Кронштейн БРМТ.301318.202 1 шт.
Пластина БРМТ.741128.080 1 шт.
Болт М16х50 1 шт.
Болт М20х100 1 шт.
Гайка М16 2 шт.
Гайка М20 2 шт.
Шайба С.16 2 шт.
Шайба С.20 2 шт.
Стойка КС-1-АТПС. Паспорт 1 экз.
Тара упаковочная 1 шт.
ОБЩИЙ ВИД, ГАБАРИТНЫЕ И УСТАНОВОЧНЫЕ РАЗМЕРЫ СТОЙКИ
ОБЩИЙ ВИД, ГАБАРИТНЫЕ И УСТАНОВОЧНЫЕ РАЗМЕРЫ КРОНШТЕЙНА БРМТ.301318.202
ОБЩИЙ ВИД, ГАБАРИТНЫЕ И УСТАНОВОЧНЫЕ РАЗМЕРЫ ПЛАСТИНЫ БРМТ.741128.080
ПРИМЕРЫ РАЗМЕЩЕНИЯ ОБОРУДОВАНИЯ НА СТОЙКЕ