• +7 (4832) 51-02-40
  • et@et32.ru
  • РОССИЯ, 241031, г. Брянск, бульвар Щорса, 1, оф.301

Шкаф связи ШС‑1П и ШС‑1П‑В

Шкаф связи ШС‑1П и ШС‑1П‑В

(шкаф) предназначен для организации на рабочем месте сотрудника метрополитена:

- телефонной и оперативно-технологической связи (ОТС);

- дублирования сигналов вызова от двух телефонных линий различными звуковыми сигналами и световой индикацией;

- дублирования сигнала вызова по линии ОТС звуковым сигналом и световой индикацией;

- звукового оповещения и световой индикации по сигналу тревоги от "тревожной" кнопки или по сигналу от кнопки вызова.

Климатическое исполнение – УХЛ 4

Степень защиты корпуса – IP44

Габаритные размеры не более 500х730х165 мм

Масса не более 20 кг

Материал корпуса – сталь

Цвет полимерного покрытия – RAL 7035 серый

Корпус – навесной, крепится снаружи через четыре паза

Пример записи обозначения в документации и при заказе:
Пример записи в документации и при заказе Пром-
пункт, шт
ПДСВ Количество пар БИ Оповещатель
БММ клемм плинтов
Шкаф связи ШС-1П-10-Б10К20 ДРБА.468352.017 1 - 10 - 20 БИ-04 "Соната-5"
Шкаф связи ШС-1П-03-П20К10 ДРБА.468352.017 0 3 - 20 10 БИ-04 "Соната-5"
Шкаф связи ШС-1П-10-П30К30-В ДРБА.468352.023 1 - - 30 30 БИ-04В 10ГР-8
Шкаф связи ШС-1П-00-Б10К00-В ДРБА.468352.023 0 - 10 - 0 БИ-04В 10ГР-8
ШС-1П-xx-П(Б)хх-Кхх
ШС-1П-xx-П(Б)хх-Кхх
ШС-1П-xx-П(Б)хх-Кхх-В
ШС-1П-xx-П(Б)хх-Кхх-В
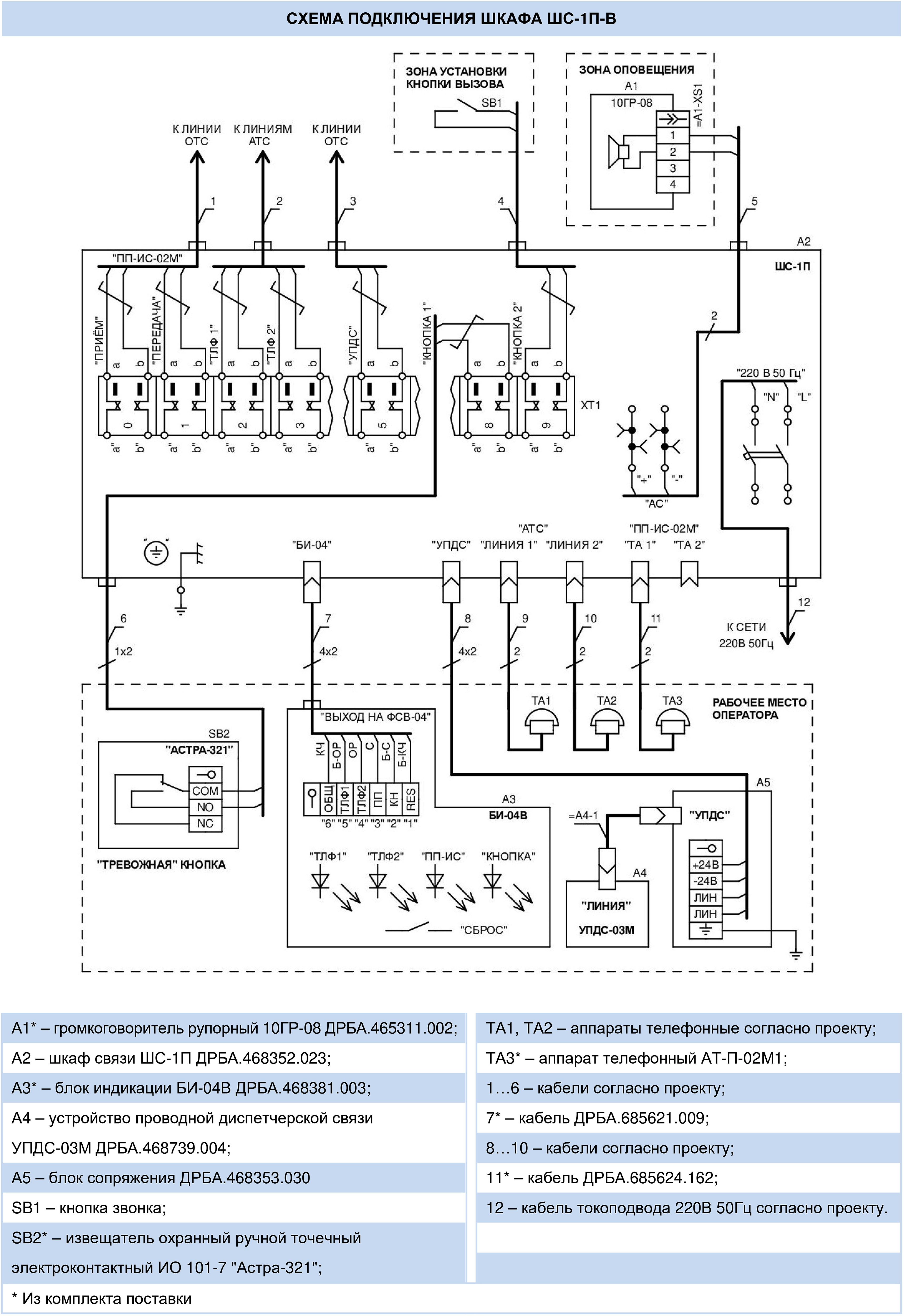
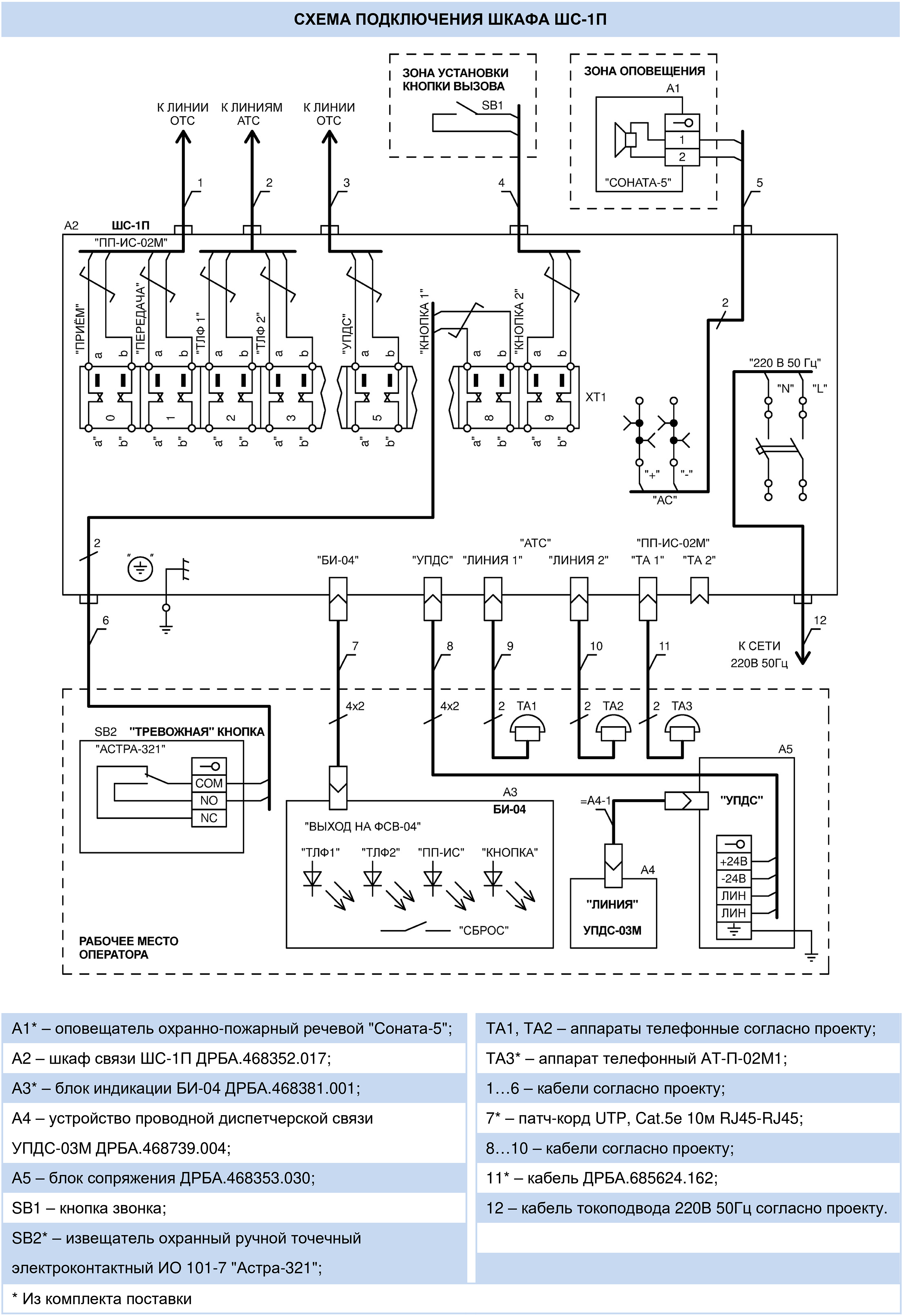
  АТ-П-02М1 Астра-321 БИ-04 БИ-04В Соната-5 10ГР-08
Климатическое исполнение УХЛ4 УХЛ4 УХЛ4 УХЛ4 УХЛ4 У1
Степень защиты корпуса IP30 IP41 IP30 IP66 IP20 IP64
Масса, кг, не более 0,4 0,08 0,1 0,1 0,65 1
Габаритные размеры, мм, не более 213х81х58 60х87х30 72х127х39 64х148х34 150х240х84 190х159хØ152

Все исполнения шкафа имеют:

  • двухполюсный выключатель автоматический С6;
  • световой индикатор сетевого напряжения питания;
  • две розетки 220В 50Гц с заземляющими контактами;
  • светильник внутреннего освещения шкафа;
  • две розетки телефонные типа 4Р4C, доступные снаружи, для подключения к промпункту двух трубок АТ-П-02М1;
  • две розетки телефонные 6Р4C, доступные снаружи, для подключения телефонных аппаратов;
  • одну розетку типа RJ-45 (8Р8C), доступную снаружи, для подключения блока индикации;
  • блок питания с выходным постоянным напряжением 24В для питания УПДС;
  • одну розетку типа RJ-45, доступную снаружи, для подключения УПДС.

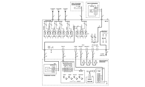
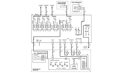
Кабели связи и абонентское оборудование подключаются через плинты с нормально-замкнутыми контактами типа LSA PROFIL, LSA PLUS и боксы БММ или клеммы с пружинными контактами типа Push-In.


При поступлении вызова по телефонной линии или линии ОТС, в оповещателе формируются различные звуковые сигналы в зависимости от линии, по которой поступил вызов, а на блоке индикации (БИ) - световая индикация "Т1", "Т2", или "ПП" соответственно.


При поступлении сигнала от "тревожной" кнопки в оповещателе формируется звуковой сигнал, а на блоке индикации (БИ) - световая индикация "КНОПКА".


При поступлении сигнала от кнопки вызова в оповещателе формируется звуковой сигнал.

Обозначение шкафа:

Шкаф связи ШС‑1П - x x - Х хх К хх - Х ДРБА.468352.ХХХ
1   2 3   4 5 6 7   8 9
Поле Описание
1 Наименование
2 Количество промпунктов, шт. – 0, 1
3 Количество ПДСВ, шт. – 0, 1, 2, 3
4 Тип подключения:
Б - бокс БММ только для кабеля ТЗБлГ
П - клеммы типа Push-In
5 Количество пар – 00, 20
6 Тип подключения:
К - плинт с нормально – замкнутыми контактами типа LSA PROFIL, LSA PLUS
Поле Описание
7 Количество пар – 20, 30
8 Дополнительные функции:
В - для применения на открытых станциях. Оповещатель речевой IP64, блок индикации IP66
Поле пустое – дополнительных функций нет
9 Обозначение
ДРБА.468352.017- для шкафов с оповещателем - IP20 и блоком индикации – IP30
ДРБА.468352.023- для шкафов с оповещателем – IP64 и блоком индикации – IP66

КОМПЛЕКТ ПОСТАВКИ

Наименование изделия Кол-во
Шкаф связи ШС-1П-xx-П(Б)хх-Кхх
ДРБА.468352.017
1 шт.
Извещатель охранный ручной точечный электроконтактный ИО 101-7 "Астра-321" 1 шт.
Ключ трёхгранный 2 шт.
Блок индикации БИ-04 1 шт.
Оповещатель охранно-пожарный речевой "Соната-5" 1 шт.
Патч-корд UTP, Cat.5e 10м RJ45-RJ45 1 шт.
Шкаф связи ШС-1П. Паспорт 1 экз.
Шкаф связи ШС-1П
Схема электрическая принципиальная
1 шт.
Аппарат телефонный АТ-П-02М1 1 шт.*
Вилка РШ2НМ-1-29 1 шт.*
Кабель ДРБА.685624.162 1 шт.*
Приставка дублирования сигнала вызова
ПДСВ-02. Паспорт
1 экз.**
Пункт промежуточный избирательной связи
ПП-ИС-02М. Паспорт
1 экз.*
Пункт промежуточный избирательной связи
ПП-ИС-02М. Руководство по эксплуатации
1 экз.*
Тара упаковочная 1 шт.
Наименование изделия Кол-во
Шкаф связи ШС-1П-xx-П(Б)хх-Кхх-В
ДРБА.468352.023
1 шт.
Извещатель охранный ручной точечный
электроконтактный ИО 101-7 "Астра-321"
1 шт.
Ключ трёхгранный 2 шт.
Блок индикации БИ-04В 1 шт.
Громкоговоритель рупорный 10ГР-08 1 шт.
Кабель ДРБА.685621.009 1 шт.
Шкаф связи ШС-1П-В. Паспорт 1 экз.
Шкаф связи ШС-1П-В
Схема электрическая принципиальная
1 шт.
Аппарат телефонный АТ-П-02М1 1 шт.*
Вилка РШ2НМ-1-29 1 шт.*
Кабель ДРБА.685624.162 1 шт.*
Приставка дублирования сигнала вызова
ПДСВ-02. Паспорт
1 экз.**
Пункт промежуточный избирательной связи
ПП-ИС-02М. Паспорт
1 экз.*
Пункт промежуточный избирательной связи
ПП-ИС-02М. Руководство по эксплуатации
1 экз.*
Тара упаковочная 1 шт.

* При заказе шкафа с промпунктом.

** При заказе шкафа с ПДСВ.

ТЕХНИЧЕСКИЕ ХАРАКТЕРИСТИКИ ШКАФА
 

Наименование параметра Значение
Номинальное переменное напряжение питания частотой 50 Гц, В 220
Количество кабельных вводов для кабелей с внешним диаметром, шт.: от 6 до 10 мм 2
от 18 до 24 мм 4

ТЕХНИЧЕСКИЕ ХАРАКТЕРИСТИКИ ПЛИНТОВ LSA PROFIL, LSA PLUS

Наименование параметра Значение
Максимальное напряжение, В 150
Максимальный ток, А 2
Наружный диаметр провода по изоляции, мм 0,7…1,6
Диаметр жил подключаемых проводов, мм:
      - однопроволочная 0,4…0,8
      - многопроволочная 7х(0,12‑0,32)

ТЕХНИЧЕСКИЕ ХАРАКТЕРИСТИКИ БЛОКА ПИТАНИЯ

Наименование параметра Значение
Диапазон входного переменного напряжения питания, В 90…264
Диапазон регулировки выходного напряжения, В 24…29
Максимальный выходной ток, А, не более 2,5

ТЕХНИЧЕСКИЕ ХАРАКТЕРИСТИКИ КАНАЛОВ ДУБЛИРОВАНИЯ СИГНАЛА ВЫЗОВА

Наименование параметра Значение
Количество входов для дублирования вызова от, шт.:
      - телефонной линии 2
      - устройства с выходом по постоянному напряжению (промпункт) 1
      - кнопок 2
Диапазон напряжения, при котором обеспечивается срабатывание, В:
      - по входам телефонных линий, переменное частотой (20-50) Гц 30…120
      - по входу "ПП", постоянное 6…36

ТЕХНИЧЕСКИЕ ХАРАКТЕРИСТИКИ КЛЕММ ТИПА Push-In для подключения кабелей

Наименование параметра Значение
Максимальное напряжение, В 400
Максимальный ток, А 16
Сечение жил подключаемых проводов, мм2:
      - однопроволочная 0,34…4,00
      - многопроволочная 0,34…2,50
      - многопроволочная с наконечником 0,25…2,50

СХЕМА КЛЕММЫ

1 – зажим Push-In для подключения провода со стороны линии;
2 – невыпадающий ножевой размыкатель;
3, 4 – ряды шунтирования для соединения клемм между собой перемычками или подключения тестовых шнуров;
5, 6 – зажимы Push-In для подключения проводов со стороны станции.
ОБЩИЙ ВИД, ГАБАРИТНЫЕ И УСТАНОВОЧНЫЕ РАЗМЕРЫ
ОБЩИЙ ВИД, ГАБАРИТНЫЕ И УСТАНОВОЧНЫЕ РАЗМЕРЫ БЛОКА ИНДИКАЦИИ БИ-04
ОБЩИЙ ВИД, ГАБАРИТНЫЕ И УСТАНОВОЧНЫЕ РАЗМЕРЫ БЛОКА ИНДИКАЦИИ БИ-04В
ОБЩИЙ ВИД, ГАБАРИТНЫЕ И УСТАНОВОЧНЫЕ РАЗМЕРЫ ОПОВЕЩАТЕЛЯ "СОНАТА-5"
ОБЩИЙ ВИД, ГАБАРИТНЫЕ И УСТАНОВОЧНЫЕ РАЗМЕРЫ ГРОМКОГОВОРИТЕЛЯ 10ГР-08
ОБЩИЙ ВИД, ГАБАРИТНЫЕ И УСТАНОВОЧНЫЕ РАЗМЕРЫ ИЗВЕЩАТЕЛЯ "АСТРА-321"
ОБЩИЙ ВИД, ГАБАРИТНЫЕ И УСТАНОВОЧНЫЕ РАЗМЕРЫ АППАРАТА ТЕЛЕФОННОГО АТ-П-02М1
СХЕМА ПОДКЛЮЧЕНИЯ ШКАФА ШС-1П
СХЕМА ПОДКЛЮЧЕНИЯ ШКАФА ШС-1П-В