• +7 (4832) 51-02-40
  • et@et32.ru
  • РОССИЯ, 241031, г. Брянск, бульвар Щорса, 1, оф.301

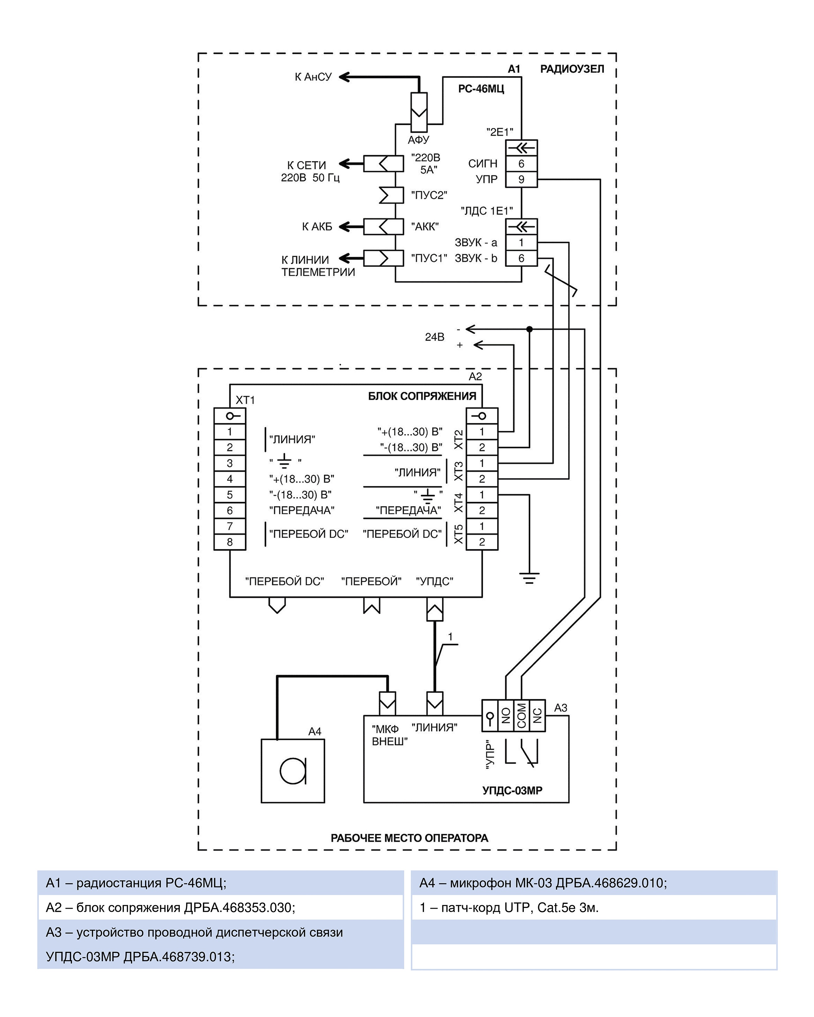
Устройства проводной диспетчерской связи УПДС-03М и УПДС-03МР

Устройства проводной диспетчерской связи УПДС-03М и УПДС-03МР

(УПДС) предназначены для организации симплексной громкоговорящей связи по двухпроводной симметричной линии.

Климатическое исполнение – УХЛ 4

Степень защиты корпуса – IP20

Масса не более 1,3 кг

Габаритные размеры не более 155х198х155 мм

Материал корпуса – пластик

Корпус настольного исполнения с регулировкой угла наклона и возможностью установки на вертикальной поверхности

Пример записи обозначения в документации и при заказе:
Примеры записи в документации и при заказе: Принудительное
включение приёма
постоянным или переменным напряжением
Релейный
выход
Устройство проводной диспетчерской связи УПДС‑03М ДРБА.468739.004 + -
Устройство проводной диспетчерской связи УПДС‑03МР ДРБА.468739.013 - +

УПДСы отличаются:

  • УПДС-03М имеет возможность принудительного включения режима приёма постоянным или переменным напряжением.
  • УПДС-03МР - релейный выход для управления внешним устройством при включении режима передачи.

УПДС обеспечивает:

  • ведение громкоговорящих переговоров по двухпроводной линии связи в симплексном режиме через встроенный или внешний микрофон;
  • автоматическую регулировку уровня разговорного сигнала в трактах приёма и передачи;
  • автоматическую коррекцию АЧХ тракта приёма в области высоких частот в зависимости от уровня входного сигнала;
  • оперативную регулировку громкости и тембра принимаемого разговорного сигнала;
  • предкоррекцию высоких частот в тракте передачи для компенсации частотных потерь в линии связи;
  • установку уровня выходного сигнала;
  • подавление шумов в паузах разговора;
  • управление режимами передачи и приёма кнопкой включения передачи или педалью;
  • подачу переменного синфазного напряжения частотой 50 Гц от устройства перебоя в линию связи относительно заземлителя для принудительного включения режима приёма на всех УПДС;
  • принудительное включение режима приёма переменным напряжением частотой 50 Гц, передаваемым по двум проводам линии связи относительно заземлителя (только УПДС-03М);
  • световую индикацию режимов приёма, передачи и напряжения питания;
  • подключение внешнего микрофона и педали, поставляемых по отдельному заказу.
КОМПЛЕКТ ПОСТАВКИ УПДС‑03М
Наименование Кол-во
Устройство проводной диспетчерской связи УПДС‑03М 1 шт.
Блок клеммный на кабель 15EDGK‑3.5‑03P 1 шт.
Блок сопряжения 1 шт.
Патч – корд UTP, Cat.5e 3м 1 шт.
Переходник 1 шт.
Устройство проводной диспетчерской связи УПДС‑03М. Паспорт 1 экз.
Тара упаковочная 1 шт.
КОМПЛЕКТ ПОСТАВКИ УПДС‑03МР
Наименование Кол-во
Устройство проводной диспетчерской связи УПДС‑03МР 1 шт.
Блок клеммный на кабель 15EDGK‑3.5‑03P 1 шт.
Блок сопряжения 1 шт.
Патч – корд UTP, Cat.5e 3м 1 шт.
Переходник 1 шт.
Устройство проводной диспетчерской связи УПДС‑03МР. Паспорт 1 экз.
Тара упаковочная 1 шт.
Наименование параметра, единица измерений Значение
Напряжение питания постоянного тока, В 18…30
Мощность потребления, не более, В*А 9
Диапазон переменного напряжения частотой 50 Гц, при котором принудительно включается режим приёма, В 8…50
 
ТРАКТ ПРИЕМА
Входное сопротивление на частоте 1000 Гц, не менее, кОм 15
Максимальный уровень входного сигнала, не более, В (дБм) 5,5 (+17)
Чувствительность канала приёма, мВ (дБм) 7,8 (-40)
Максимальная выходная мощность, не менее, Вт 2
Ослабление частоты 50 Гц относительно частоты 1000 Гц, не менее, дБ минус 25
Диапазон регулировки АЧХ тракта приема на частоте 3,5 кГц, не менее, дБ +10, -6
 
ТРАКТ ПЕРЕДАЧИ
Максимальный уровень выходного сигнала на нагрузке 240 Ом, В (дБм) 5 (17)
Выходное сопротивление при включённой передаче в диапазоне частот (300…3400) Гц, не более, Ом 40
Коррекция АЧХ тракта передачи на частоте 3500 Гц, дБ 10…16
Диапазон регулировки выходного уровня передачи, дБ, не менее 20
 
ВХОД "ПЕРЕБОЙ DC" (УПДС-03М)
Диапазон постоянного напряжения, при котором принудительно включается режим приёма, В 8…60
 
РЕЛЕЙНЫЙ ВЫХОД "УПР" (УПДС-03МР)
Тип выхода "УПР" реле
Максимальное коммутируемое напряжение/ток по выходу "УПР", В/А:
      – переменное 125 / 0,5
      – постоянное 28 / 2
ОБЩИЙ ВИД, ГАБАРИТНЫЕ РАЗМЕРЫ
ОРГАНЫ УПРАВЛЕНИЯ И ИНДИКАЦИИ СПЕРЕДИ
РЕГУЛЯТОР УРОВНЯ ПЕРЕДАЧИ
УПДС-03М<br>ВИД СЗАДИ
УПДС-03МР<br>ВИД СЗАДИ
СХЕМА ПОДКЛЮЧЕНИЯ УПДС-03М С ПЕРЕБОЕМ ПЕРЕМЕННЫМ НАПРЯЖЕНИЕМ
СХЕМА ПОДКЛЮЧЕНИЯ УПДС-03М С ПЕРЕБОЕМ ПОСТОЯННЫМ НАПРЯЖЕНИЕМ
СХЕМА ПОДКЛЮЧЕНИЯ УПДС-03МР К ШКАФУ ПОЕЗДНОЙ РАДИОСВЯЗИ ШПРС-42U6.8
СХЕМА ПОДКЛЮЧЕНИЯ УПДС-03МР К РАДИОСТАНЦИИ РС-46МЦ